ナイフWM604A ●ウイングモアー畦草刈機
販売価格 税込 3,190 円 / 税抜 2,900 円
※在庫あり (1~2日で発送)
| 商品名 | ナイフWM604A ●ウイングモアー畦草刈機 |
|---|---|
| メーカー名 | オーレック・やまびこ純正部品 |
| 型式 | 80-1516-82100 |
| 商品状態 | 新品 |
| 支払い方法 | 代引・振込・カード・現金・PayPay (店頭) |
| 配送方法 | 全国一律 送料870円 |
| 発行ポイント | 29 ポイント |

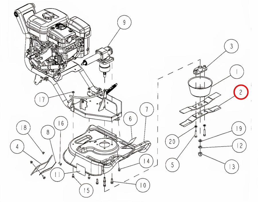
※ AZ624Aのパーツリスト画像
純正部品
ナイフWM604A 1枚
※ 1台分必要な場合は数量を4にしてご購入ください。
●適合型式
オーレック ウイングモアー
WM624A
WM634
共立畦草刈機
AZ624A
AZ634
※ 弊社は㈱やまびこサービスショップ指定店です。
※ 弊社は㈱やまびこサービスショップ指定店です。
KIORITZ shindaiwa ECHO

※ 未掲載部品の価格をお調べします。
この商品についてお問い合わせ よりご連絡ください。
参考 (メーカーサイト)
◾共立 ・新ダイワ・エコー 全製品パーツリスト閲覧
◾オーレック 全製品パーツリスト閲覧
-
会社概要・特定商取引法
-

- おかげさまで創業70年緑化
有限会社 田 辺 農 機
〒930-3265
富山県中新川郡立山町米沢2-7
TEL 076-463-0205
FAX 076-463-0205
商品説明 090-8968-9505
お問い合わせフォーム (24時間受付)
◾適格請求書発行事業者です。
国税庁 インボイス登録番号公表サイト
◾土、日、祝日も営業します。
(都合により臨時休業の場合があります)
◾ご注文はFAXでも承ります。
(電話での注文は承っておりません)
自社サイト内 商品検索 はこちら!
北陸道立山インターから車で4分
富山市中心地から車で30分
-
PDNS 製造・卸 直販市場
-
- コスモノーキ SD/CC 20L
- 4サイクルガソリンエンジン、ディーゼルエンジンに最適なオールシーズンタイプ兼用オイル 10W-30
- 8,580 円
- 汎用ミラー 上部ピポット式 DI-236
- ピポット寸法 18φ 上部取付式汎用ミラー クボタMZ・KL・KT、イセキATシリーズなど
- 5,480 円
- KH-400幅 90ピッチ TN コンバイン用ゴムクローラー
- 400mm幅 90ピッチ 30~49コマ (パターン:SD)
- 55,000 円~
- NKS-360幅 79ピッチ KBL クボタコンバイン用ゴムクローラー
- 360mm幅 79ピッチ 40~45コマ クボタコンバイン用 (パターン:C)
- 71,220 円~









